Centrala FPM+
Centrala sterująca urządzeniami przeciwpożarowymi
SIUP
Współczesna ochrona ppoż obiektów przemysłowych coraz częściej wykorzystuje systemy gaszenia cieczą. Ich skuteczność zależy nie tylko od instalacji, lecz także od niezawodnej centrali sterującej.
.webp)
Współczesna ochrona przeciwpożarowa obiektów przemysłowych coraz częściej opiera się na zaawansowanych systemach gaszenia cieczą, w szczególności instalacjach wykorzystujących mgłę wodną. Rozwiązania te łączą wysoką skuteczność gaszenia z ograniczonym zużyciem wody oraz minimalizacją strat popożarowych, co ma kluczowe znaczenie w obiektach o dużej koncentracji infrastruktury technicznej i materiałów o podwyższonym ryzyku zapłonu.
Skuteczność systemu gaszenia mgłą wodną nie zależy jednak wyłącznie od właściwego doboru dysz czy parametrów hydraulicznych instalacji. Równie istotnym elementem jest niezawodna centrala sterująca, która odpowiada za nadzór nad systemem, przetwarzanie sygnałów z urządzeń detekcyjnych, sterowanie elementami wykonawczymi oraz komunikację z innymi systemami bezpieczeństwa pożarowego. W przypadku modernizacji istniejących obiektów przemysłowych rola centrali sterującej nabiera szczególnego znaczenia, ponieważ musi ona zapewnić pełną funkcjonalność systemu przy jednoczesnym dostosowaniu do zastanej infrastruktury technicznej.
Niniejszy artykuł przedstawia studium przypadku wdrożenia systemu gaszenia cieczą w postaci instalacji zraszaczowej, którego założenia i architektura sterowania są analogiczne do rozwiązań stosowanych w systemach gaszenia mgłą wodną. Na przykładzie rzeczywistego obiektu przemysłowego omówiono rolę centrali sterującej jako kluczowego elementu zapewniającego niezawodność, elastyczność oraz pełny nadzór nad procesem gaszenia, zarówno w warunkach normalnej eksploatacji, jak i w sytuacjach zagrożenia pożarowego.
Opisywany obiekt stanowi zakład przemysłowy wzniesiony w latach 60. XX wieku, obejmujący dwie hale przeznaczone do magazynowania paliw uzupełniających. Każda z hal posiada powierzchnię około180 m². Ze względu na wiek budynku oraz jego pierwotne przeznaczenie, infrastruktura techniczna była na przestrzeni lat wielokrotnie modernizowana. Należy jednak podkreślić, że obiekt nie był pierwotnie projektowany z myślą o integracji nowoczesnych systemów ochrony przeciwpożarowej, w szczególności instalacji gaszenia wodą.

W celu zwiększenia poziomu bezpieczeństwa pożarowego inwestor podjął decyzję o doposażeniu obu hal w instalację gaszenia wodą w postaci systemu zraszaczowego. Modernizacja istniejących obiektów przemysłowych, zwłaszcza tych o wieloletniej historii eksploatacyjnej, wiąże się jednak z szeregiem wyzwań technicznych oraz organizacyjnych.
Kluczowym założeniem projektu było zastosowanie rozwiązania niezawodnego, elastycznego i o modułowej strukturze, które umożliwi:
System musiał jednocześnie charakteryzować się wysoką odpornością na uszkodzenia, zapewniać stały nadzór nad instalacją oraz być możliwy do wdrożenia w istniejącej infrastrukturze obiektu, bez konieczności kosztownej przebudowy.

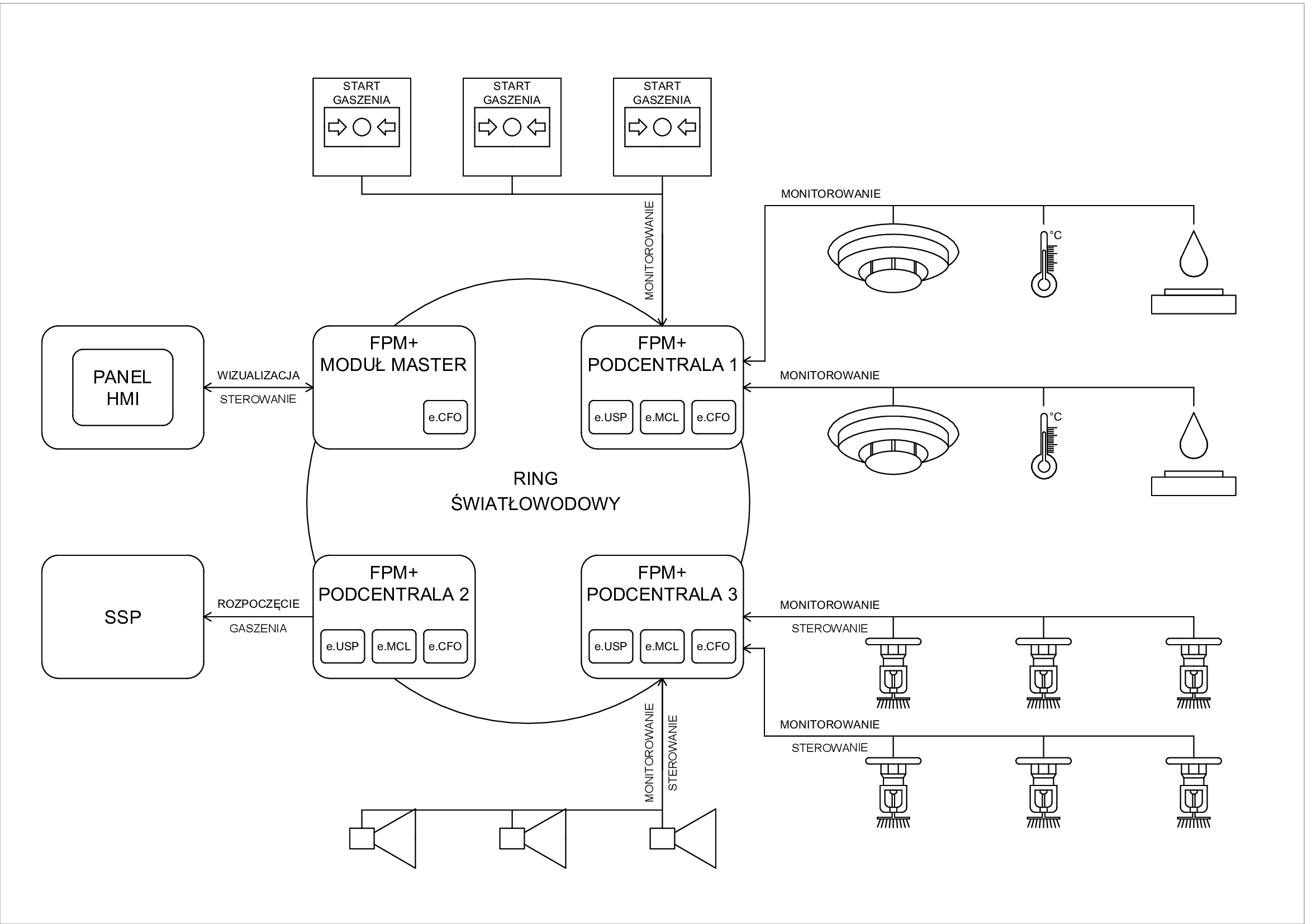
Centralnym elementem systemu została centrala sterująco-zasilająca urządzeniami przeciwpożarowymi typu FPM+, pełniąca w tym projekcie funkcję centrali gaszenia. W skład instalacji weszły również uniwersalne sterowniki pożarowe e.USP oraz moduły ciągłości liniie. MCL, zabudowane w dedykowanych obudowach zbiorczych. Magistralę komunikacyjną systemu wykonano z użyciem ognioodpornego światłowodu, co zapewniło wysoki poziom niezawodności oraz odporność na warunki pożarowe.
Centrala FPM+ realizuje pełne sterowanie oraz ciągły monitoring kluczowych elementów instalacji, w tym:
Dodatkowo do centrali włączono szereg sygnałów technicznych, istotnych z punktu widzenia bezpieczeństwa i eksploatacji obiektu, takich jak:
%20(1).png)
Pomieszczenie pompowni zostało zabezpieczone zarówno instalacją tryskaczową, jak i dodatkową punktową czujką dymu, podłączoną bezpośrednio do centrali FPM+. Centrala steruje również systemem przewietrzania pompowni, co ma szczególne znaczenie w przypadku zastosowania dodatkowej pompy spalinowej.
Integralnym elementem rozwiązania jest dedykowany panel operatorski HMI, który umożliwia pełną wizualizację pracy systemu i zapewnia obsłudze bieżący dostęp do informacji o stanach alarmowych, uszkodzeniach oraz pracy poszczególnych urządzeń. Połączenie centrali FPM+ z istniejącym systemem sygnalizacji pożarowej (SSP) pozwala na wymianę sygnałów alarmowych oraz informacji o uruchomieniu procesu gaszenia.
Zastosowanie centrali FPM+ pozwoliło inwestorowi w istotny sposób podnieść poziom bezpieczeństwa pożarowego modernizowanego obiektu. W dobie rosnącej liczby pożarów hal magazynowych i przemysłowych rozwiązanie to zapewnia pełny nadzór nad instalacją oraz szybkie i kontrolowane uruchomienie procesu gaszenia.
W przypadku wykrycia zagrożenia pożarowego gaszenie wybranej sekcji może zostać uruchomione:
Panel HMI umieszczony w pomieszczeniu obsługi zapewnia operatorowi czytelny i aktualny obraz stanu centrali, alarmów, uszkodzeń oraz pracy wszystkich wejść i wyjść systemu. Pełny nadzór nad liniami sterującymi, realizowany z wykorzystaniem modułów e.USP oraz e.MCL, gwarantuje, że instalacja gaszenia zadziała dokładnie wtedy, gdy będzie to rzeczywiście konieczne.

Przedstawione studium przypadku jednoznacznie pokazuje, że skuteczność systemów gaszenia cieczą - w tym instalacji wykorzystujących mgłę wodną - w dużej mierze zależy od prawidłowo zaprojektowanego i niezawodnego systemu sterowania.
Centrala gaszenia pełni rolę nadrzędnego elementu integrującego detekcję, sterowanie oraz nadzór nad wszystkimi urządzeniami wykonawczymi i pomocniczymi, zapewniając spójne i przewidywalne działanie instalacji w sytuacji zagrożenia pożarowego.
Zastosowanie centrali sterującej FPM+ w modernizowanym obiekcie przemysłowym umożliwiło stworzenie elastycznej, modułowej architektury sterowania, odpornej na uszkodzenia i w pełni dostosowanej do istniejącej infrastruktury technicznej. Rozwiązanie to potwierdza, że również w obiektach o wieloletniej historii możliwe jest wdrożenie nowoczesnych systemów gaszenia, spełniających aktualne wymagania w zakresie bezpieczeństwa pożarowego i niezawodności działania.
W kontekście systemów gaszenia mgłą wodną, charakteryzujących się wysoką dynamiką działania oraz precyzyjnym dozowaniem środka gaśniczego, rola centrali sterującej nabiera szczególnego znaczenia.
Pełny nadzór nad liniami sterującymi, ciągła kontrola stanów technicznych oraz czytelna wizualizacja pracy systemu pozwalają na szybkie podejmowanie decyzji i minimalizację skutków pożaru.
Podsumowując, odpowiednio dobrana i skonfigurowana centrala sterująca stanowi fundament skutecznego systemu gaszenia cieczą.
Jej zastosowanie przekłada się nie tylko na zwiększenie poziomu bezpieczeństwa chronionego obiektu, lecz także na poprawę ergonomii i obsługi, ograniczenie strat materialnych oraz zapewnienie pełnej kontroli nad procesem gaszenia – zarówno w systemach zraszaczowych, jak i instalacjach opartych na technologii mgły wodnej.

Autor: Piotr Matuszewski
Dyrektor Produkcji w Ela-compil, szef działu FPM+.
Rzeczoznawca SITP, członek PIIB z uprawnieniami w specjalności telekomunikacyjnej, elektrycznej i elektroenergetycznej.
Ponad 25 lat doświadczenia w technicznej ochronie obiektów, autor projektów i publikacji branżowych, propagator BIM.